-
Produkt ähnelt der Abbildung
Produkt ähnelt der Abbildung
Produkt ähnelt der Abbildung
PHOENIX CONTACT

PHO MNT-1D/WH Maintrab 2882213

Article number : BU2192407
EAN: 4046356073547
Manufacturer number: 2882213
Regular price €29,75
Sale price €29,75 Regular price
Save
Beschaffungsware
  • Delivery time: Lieferung auf Anfrage

Quantity
Quantity unit
1 Stk.
Stock
0 pcs
Product description
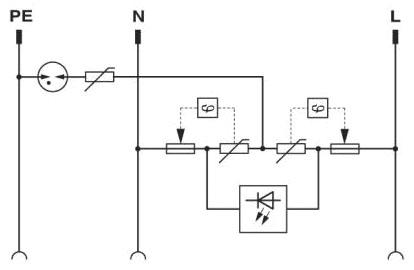
Phoenix MNT-1 D/WH 2882213 Überspannungsschutz-Gerät Typ 3
Lieferantenartikelnummer: 2882213
EAN: 4046356073547
Gewicht
.124 kg
Zollnummer
85363010