-
Produkt ähnelt der Abbildung
Produkt ähnelt der Abbildung
Produkt ähnelt der Abbildung
PHOENIX CONTACT

PHO PT-IQ-2X1-24DC-UT Überspannungsschutzgerät

Article number : BU3800340
EAN: 4046356645218
Manufacturer number: 2800787
Regular price €107,82
Sale price €107,82 Regular price
Save
Beschaffungsware
  • Delivery time: Lieferung auf Anfrage

Quantity
Quantity unit
1 Stk.
Stock
0 pcs
Product description
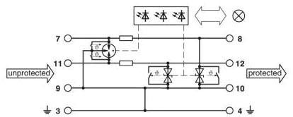
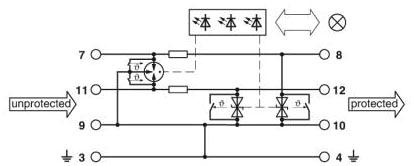
Phoenix PT-IQ-2X1-24DC-UT 2800787 Überspannungsschutz-Gerät
Lieferantenartikelnummer: 2800787
EAN: 4046356645218
Zollnummer
85363010