-
Produkt ähnelt der Abbildung
Produkt ähnelt der Abbildung
Produkt ähnelt der Abbildung
PHOENIX CONTACT

PHO PT2+1-S-48DC-ST UEBERSPANNUNGSSCHUTZ 48V DC

Article number : BU63335
EAN: 4017918193713
Manufacturer number: 2839648
Regular price €754,65
Sale price €754,65 Regular price
Save
Beschaffungsware
  • Delivery time: Lieferung auf Anfrage

Quantity
Quantity unit
10 Stk.
Stock
0 pcs
Product description
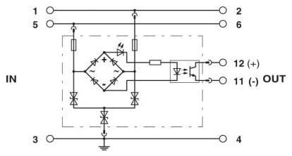
Phoenix PT 2+1-S-48DC-ST 2839648 Überspannungsschutz-Stecker Typ 3
Lieferantenartikelnummer: 2839648
EAN: 4017918193713
Zollnummer
85363030