-
Produkt ähnelt der Abbildung
Produkt ähnelt der Abbildung
Produkt ähnelt der Abbildung
PHOENIX CONTACT

PHO PT4-5DC-ST MCR-PLUGTRAB-Stecker 5VDC 0,2-4qmm

Article number : BU62278
EAN: 4017918182755
Manufacturer number: 2839211
Regular price €1.011,47
Sale price €1.011,47 Regular price
Save
Beschaffungsware
  • Delivery time: Lieferung auf Anfrage

Quantity
Quantity unit
10 Stk.
Stock
0 pcs
Product description
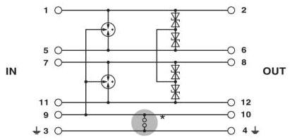
Phoenix PT 4- 5DC-ST 2839211 Überspannungsschutz-Stecker
Lieferantenartikelnummer: 2839211
EAN: 4017918182755
Gewicht
.024 kg
Zollnummer
85363010