-
Produkt ähnelt der Abbildung
Produkt ähnelt der Abbildung
Produkt ähnelt der Abbildung
PHOENIX CONTACT

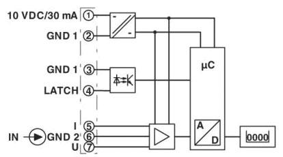
PHO MCR-SL-D-U/I Digitalanzeige programmierbar

Artikelnummer : BU1481979
EAN: 4017918820718
Herstellernummer: 2864011
Regulärer Preis €210,42
Verkaufspreis €210,42 Regulärer Preis
Spare
Beschaffungsware
  • Regellieferzeit: Lieferung auf Anfrage

Menge
Mengeneinheit
1 Stk.
Lagerbestand
0 Stk.
Produktbeschreibung
Phoenix MCR-SL-D-U-I 2864011 Digitalanzeige
Lieferantenartikelnummer: 2864011
EAN: 4017918820718
Gewicht
.092 kg
Zollnummer
90262020