-
Produkt ähnelt der Abbildung
Produkt ähnelt der Abbildung
Produkt ähnelt der Abbildung
PHOENIX CONTACT

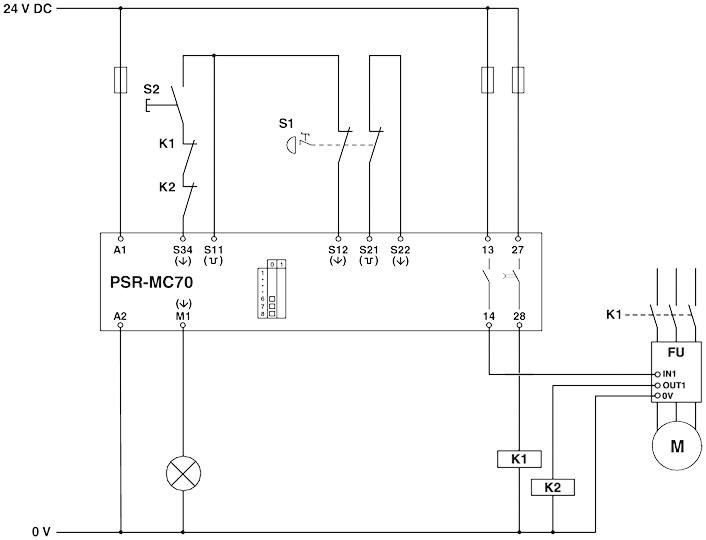
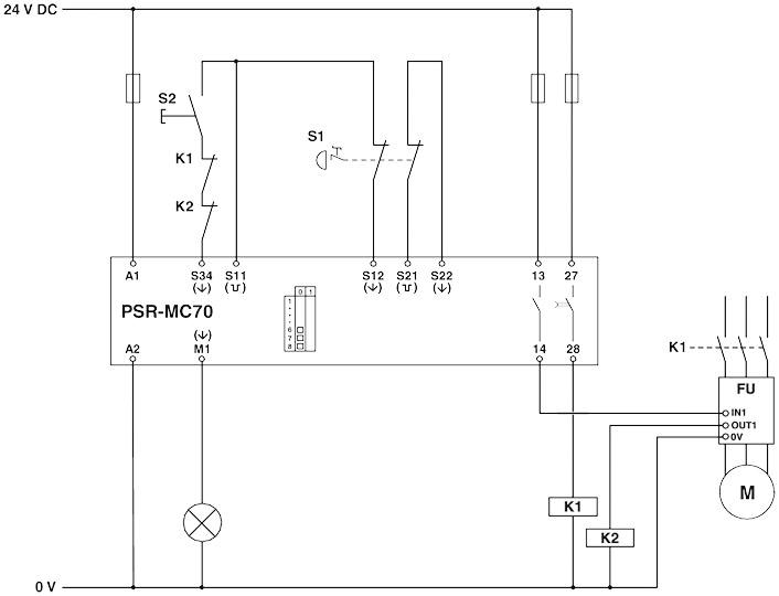
PHO PSR-MC70-2NO-1DO-24DC-SC Sicherheitsrelais

Artikelnummer : BU5103609
EAN: 4046356952262
Herstellernummer: 2702094
Regulärer Preis €163,84
Verkaufspreis €163,84 Regulärer Preis
Spare
Beschaffungsware
  • Regellieferzeit: Lieferung auf Anfrage

Menge
Mengeneinheit
1 Stk.
Lagerbestand
0 Stk.
Produktbeschreibung
Phoenix PSR-MC70-2NO-1DO-24DC-SC 2702094 Sicherheitsrelais
Lieferantenartikelnummer: 2702094
EAN: 4046356952262
Zollnummer
85371098