-
Produkt ähnelt der Abbildung
Produkt ähnelt der Abbildung
Produkt ähnelt der Abbildung
PHOENIX CONTACT

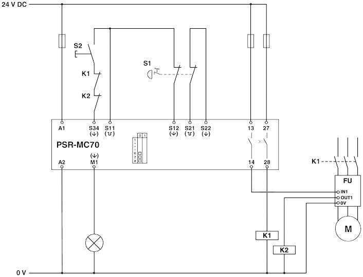
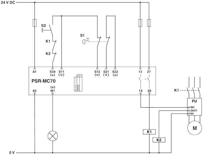
PHO PSR-MC70-2NO-1DO-24DC-SP Sicherheitsrelais

Artikelnummer : BU5103610
EAN: 4046356952477
Herstellernummer: 2702095
Regulärer Preis €163,84
Verkaufspreis €163,84 Regulärer Preis
Spare
Beschaffungsware
  • Regellieferzeit: Lieferung auf Anfrage

Menge
Mengeneinheit
1 Stk.
Lagerbestand
0 Stk.
Produktbeschreibung
Phoenix PSR-MC70-2NO-1DO-24DC-SP 2702095 Sicherheitsrelais
Lieferantenartikelnummer: 2702095
EAN: 4046356952477
Zollnummer
85371098