-
Produkt ähnelt der Abbildung
Produkt ähnelt der Abbildung
Produkt ähnelt der Abbildung
PHOENIX CONTACT

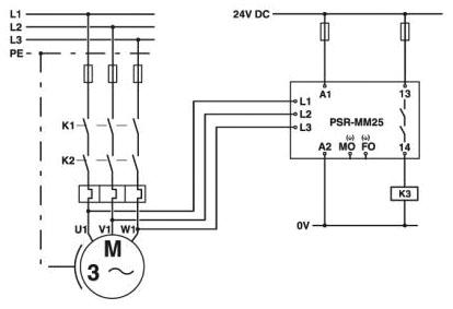
PHO PSR-MM25-1NO-2DO-24DC-SP Sicherheitsschaltgerät

Artikelnummer : BU4978921
EAN: 4055626133218
Herstellernummer: 2702356
Regulärer Preis €354,45
Verkaufspreis €354,45 Regulärer Preis
Spare
Beschaffungsware
  • Regellieferzeit: Lieferung auf Anfrage

Menge
Mengeneinheit
1 Stk.
Lagerbestand
0 Stk.
Produktbeschreibung
Phoenix PSR-MM25-1NO-2DO-24DC-SP 2702356 Sicherheitsschaltgerät
Lieferantenartikelnummer: 2702356
EAN: 4055626133218
Zollnummer
90328900