-
Produkt ähnelt der Abbildung
Produkt ähnelt der Abbildung
Produkt ähnelt der Abbildung
PHOENIX CONTACT

PHO PSR-SCP-24DC/ESD/5X Relaisbaustein

Artikelnummer : BU1486298
EAN: 4017918975227
Herstellernummer: 2981428
Regulärer Preis €290,34
Verkaufspreis €290,34 Regulärer Preis
Spare
Beschaffungsware
  • Regellieferzeit: Lieferung auf Anfrage

Menge
Mengeneinheit
1 Stk.
Lagerbestand
0 Stk.
Produktbeschreibung
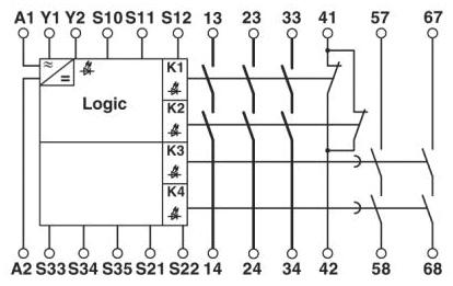
Phoenix PSR-SCP- 24DC/ESD/5X1/1X2/300 2981428 Not-Aus-Relais Schutztürüberwach
Lieferantenartikelnummer: 2981428
EAN: 4017918975227
Gewicht
.472 kg
Zollnummer
85371098