-
Produkt ähnelt der Abbildung
Produkt ähnelt der Abbildung
Produkt ähnelt der Abbildung
PHOENIX CONTACT

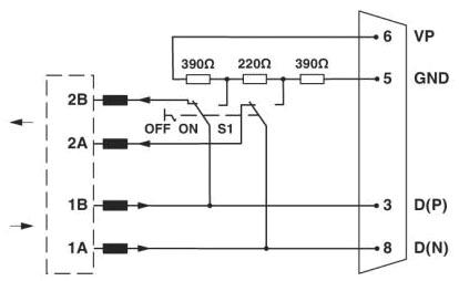
PHO SUBCON-PLUS-PROFIB/90/SC D-SUB-Busstecker

Artikelnummer : BU3346714
EAN: 4046356514163
Herstellernummer: 2313698
Regulärer Preis €36,81
Verkaufspreis €36,81 Regulärer Preis
Spare
Beschaffungsware
  • Regellieferzeit: Lieferung auf Anfrage

Menge
Mengeneinheit
1 Stk.
Lagerbestand
0 Stk.
Produktbeschreibung
Phoenix SUBCON-PLUS-PROFIB/90/SC 2313698 D-SUB-Busstecker
Lieferantenartikelnummer: 2313698
EAN: 4046356514163
Zollnummer
85366990